|
|
|
|
基本的振荡电路分为Colpitts型和Hartley型两种(图3),陶瓷谐振器一般应用Colpitts型。
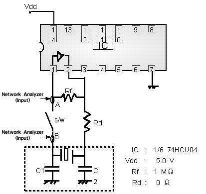
为引起振荡,放大器和反馈电路必不可少,满足Loop Gain为0dB以上,相位移动量为360°的n倍(n=1,2...)等2个条件时,才可以引起振荡(图4)
|
|
|
|
(1)
在A-B loop相位为-360度的特定频率上的A-B之间的Loop gain margin(LGM)应大于0dB。
(2) 在A-B loop gain为0dB的特定频率上的A-B之间的Loop phase
margin(LPM)应小于-360度。 |
|
|
图4 ) 谐振器开环(Open Loop)电路
|
|
|
|
|
|